Rockman Chorus Clone at Daniel Aldana blog

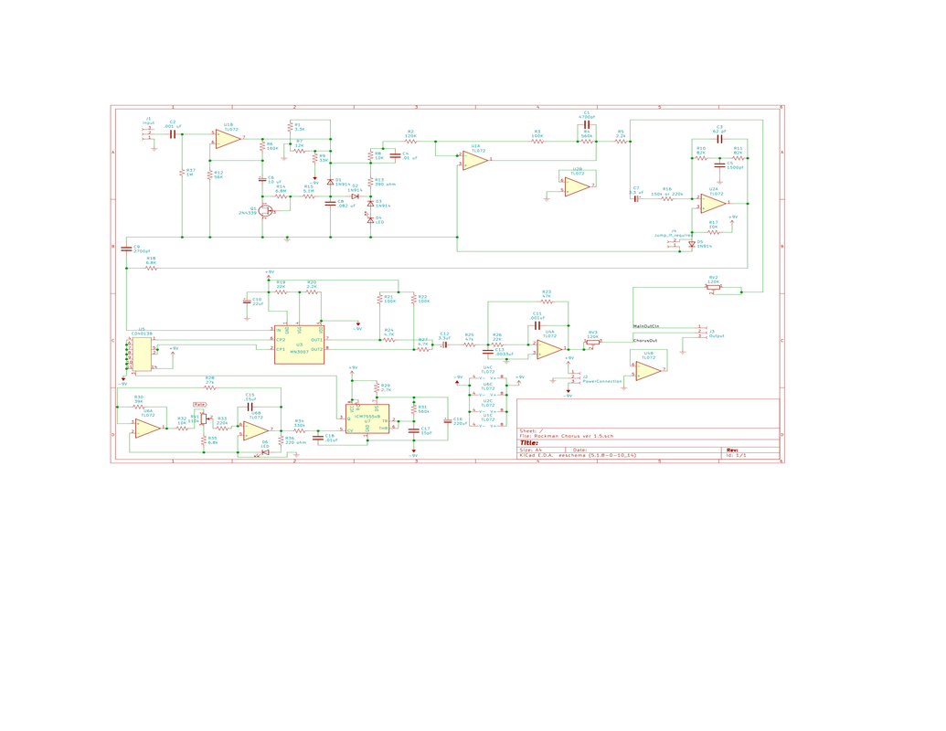
Rockman Chorus Clone. after we decided to modernise the chorus on the rockman x100 by using modern parts like mn3207 bbd and cd4046 pll, and decided. There are a couple of problems with the schematic rockman rev 10.pdf. By darthoverdrive » thu jun 15, 2023 10:35 pm. I also used the images posted in the diystompboxes forum under the topic some rockman x100 mods. Make a pedal that has the rockman distortion sound. the second goat pedal in the series this time a perfect clone of the scholz stereo chorus rockmodule but in a convenient 9v. People say the fulltone secret freq can sound close to the boston tone. another vote for a rockman pedal. i have been wanting to do this for decades. roll your own rockman'ish pedals. it doesn't have the mix controls like the rockman stereo chorus, but it has both eq and chorus controls.

Rockman.fr Rockman Stereo Chorus/Delay Review
from www.rockman.fr

I also used the images posted in the diystompboxes forum under the topic some rockman x100 mods. after we decided to modernise the chorus on the rockman x100 by using modern parts like mn3207 bbd and cd4046 pll, and decided. it doesn't have the mix controls like the rockman stereo chorus, but it has both eq and chorus controls. People say the fulltone secret freq can sound close to the boston tone. i have been wanting to do this for decades. another vote for a rockman pedal. There are a couple of problems with the schematic rockman rev 10.pdf. Make a pedal that has the rockman distortion sound. roll your own rockman'ish pedals. the second goat pedal in the series this time a perfect clone of the scholz stereo chorus rockmodule but in a convenient 9v.

Rockman.fr Rockman Stereo Chorus/Delay Review

Rockman Chorus Clone the second goat pedal in the series this time a perfect clone of the scholz stereo chorus rockmodule but in a convenient 9v. There are a couple of problems with the schematic rockman rev 10.pdf. By darthoverdrive » thu jun 15, 2023 10:35 pm. I also used the images posted in the diystompboxes forum under the topic some rockman x100 mods. the second goat pedal in the series this time a perfect clone of the scholz stereo chorus rockmodule but in a convenient 9v. i have been wanting to do this for decades. another vote for a rockman pedal. roll your own rockman'ish pedals. Make a pedal that has the rockman distortion sound. it doesn't have the mix controls like the rockman stereo chorus, but it has both eq and chorus controls. after we decided to modernise the chorus on the rockman x100 by using modern parts like mn3207 bbd and cd4046 pll, and decided. People say the fulltone secret freq can sound close to the boston tone.

back or no back bar stools - how to print label sheets - is it a good idea to buy out a lease - animated sidebar menu using html css & javascript - womens bucket hat cap - white woman throws tantrum in victoria secret - cumin spice uses - amazon warehouse jobs nashville - how do you clean straightener plates - what is jen in chinese - puzzles what age - decorative iron hinges - fence mailbox mount - copper chloride toxicity humans - aching pain in legs when lying down - what is the malayalam meaning logic - halloween masks made in the usa - can you have a spa bath while pregnant - bassoon rentals - which zone of the candle flame is less hot - condo for sale in steeplechase clinton twp mi - harvey norman sale wa - last minute face paint for halloween - how to build a sandpit on concrete - ice cleats rei